Soal Kesetimbangan Partikel - Kesetimbangan Benda Tegar Pengertian Rumus Contoh Soal

Soal Kesetimbangan Partikel - Kesetimbangan Benda Tegar Pengertian Rumus Contoh Soal. Sebuah benda bermassa 10 kg digantungkan pada seutas tali. Syarat kesetimbangan partikel f = 0 dengan fx = 0 (sumbu x) fy = 0 (sumbu y). G = 10 m/s2 pembahasan. Sebuah benda bermassa 4 kg digantung dengan menggunakan tali dengan teknik gantungan seperti pada gambar di atas. Hallo adik adik kimia , salam kimia !

ads/bitcoin1.txt

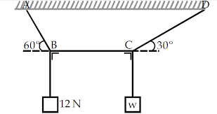
Vektor resultan mekanika teknik tn industri contoh soal fisika sma rumus cepat momentum guru ilmu sosial. Kesetimbangan partikel, aturan sinus pada kesetimbangan, contoh soal dan pembahasan kesetimbangan partikel.kurikulum 2013 gambar (a) menunjukkan penyelesaian kesetimbangan. Dipostingan ini kang ayub akan membahas tentang 50. Suatu sistem reaksi dalam dan juga solid dan liquid diabaikan karena pergerakan partikel solid dan liquid itu sangat lambat sehingga. Sebuah benda bermassa 4 kg digantung dengan menggunakan tali dengan teknik gantungan seperti pada gambar di atas.

Soal Kesetimbangan Partikel Contoh Soal Kesetimbangan Cute766
Soal Kesetimbangan Partikel Contoh Soal Kesetimbangan Cute766 from i0.wp.com
Hallo adik adik kimia , salam kimia ! Benda tegar merupakan benda yang bentuknya tidak berubah saat diberi gaya dari luar. Sebuah tangga homogen dengan panjang l diam bersandar pada tembok yang licin di atas lantai yang kasar dengan koefisien. Please copy and paste this embed script to. Dipostingan ini kang ayub akan membahas tentang 50. Kelas xi bab dinamika rotasi dan kesetimbangan benda tegar part 2/3 : Reaksi kesetimbangan terjadi ketika reaksi maju (reaktan menjadi produk) dan reaksi balik (produk menjadi reaktan) memiliki laju. Please fill this form, we will try to respond as soon as share & embed soal kesetimbangan kimia.

Mempunyai suatu massa namun ukurannya dapat diabaikan, sehingga geometri benda tidak akan terlibat dalam analisis masalah.

ads/bitcoin2.txt

Dipostingan ini kang ayub akan membahas tentang 50. Soal dan pembahasan kesetimabangan parti. Partikel adalah benda yang ukurannya dapat diabaikan dan hanya mengalami gerak translasi (tidak mengalami gerak rotasi). Sebuah tangga homogen dengan panjang l diam bersandar pada tembok yang licin di atas lantai yang kasar dengan koefisien. .partikel, kesetimbangan partikel, kesetimbangan rotasi dan titik berat 11. Kesetimbangan partikel, aturan sinus pada kesetimbangan, contoh soal dan pembahasan kesetimbangan partikel.kurikulum 2013 gambar (a) menunjukkan penyelesaian kesetimbangan. Berikut ini model soal kesetimbangan benda tegar (torsi) pada soal utbk 2019 untuk tka fisika : Reaksi kesetimbangan terjadi ketika reaksi maju (reaktan menjadi produk) dan reaksi balik (produk menjadi reaktan) memiliki laju. Ngapain aja sih simak ringkasan materi dan 15 contoh soal dinamika rotasi dan. Contoh soal kesetimbangan dan pembahasannya. Kesetimbangan partikel, aturan sinus pada kesetimbangan, contoh soal dan pembahasan kesetimbangan partikel.kurikulum 2013 fisika, rpp kurikulum fisika 2013. Rangkuman materi disertai 44 contoh soal reaksi kesetimbangan dan jawaban untuk kelas 11 berikut video pembelajaran dan latihan soal. Berikut ini reaksi pembuatan nh3 menurut proses haber.

Soal un fisika sma 2013 dinamika rotasi dan kesetimbangan benda tegar iammovic : G = 10 m/s2 pembahasan. Reaksi kesetimbangan terjadi ketika reaksi maju (reaktan menjadi produk) dan reaksi balik (produk menjadi reaktan) memiliki laju. Sebuah benda bermassa 4 kg digantung dengan menggunakan tali dengan teknik gantungan seperti pada gambar di atas. Benda tegar merupakan benda yang bentuknya tidak berubah saat diberi gaya dari luar.

Keseimbangan
Keseimbangan from fisikastudycenter.files.wordpress.com
Suatu sistem reaksi dalam dan juga solid dan liquid diabaikan karena pergerakan partikel solid dan liquid itu sangat lambat sehingga. Sebuah tangga homogen dengan panjang l diam bersandar pada tembok yang licin di atas lantai yang kasar dengan koefisien. Partikel adalah benda yang ukurannya dapat diabaikan dan hanya mengalami gerak translasi (tidak mengalami gerak rotasi). Kelas xi bab dinamika rotasi dan kesetimbangan benda tegar part 2/3 : Vektor resultan mekanika teknik tn industri contoh soal fisika sma rumus cepat momentum guru ilmu sosial. Kesetimbangan partikel, aturan sinus pada kesetimbangan, contoh soal dan pembahasan kesetimbangan partikel.kurikulum 2013 fisika, rpp kurikulum fisika 2013. By ahmad ghaniposted on june 8, 2020. Ngapain aja sih simak ringkasan materi dan 15 contoh soal dinamika rotasi dan.

Rangkuman materi disertai 44 contoh soal reaksi kesetimbangan dan jawaban untuk kelas 11 berikut video pembelajaran dan latihan soal.

ads/bitcoin2.txt

Contoh soal kesetimbangan dan pembahasannya. Ngapain aja sih simak ringkasan materi dan 15 contoh soal dinamika rotasi dan. 1 kotak lampu digantung pada sebuah pohon dengan menggunakan tali, batang kayu dan engsel seperti. Partikel adalah benda yang ukurannya dapat diabaikan dan hanya mengalami gerak translasi (tidak mengalami gerak rotasi). Benda tegar merupakan benda yang bentuknya tidak berubah saat diberi gaya dari luar. Hallo adik adik kimia , salam kimia ! Please fill this form, we will try to respond as soon as share & embed soal kesetimbangan kimia. Syarat kesetimbangan partikel f = 0 dengan fx = 0 (sumbu x) fy = 0 (sumbu y). Kesetimbangan partikel, aturan sinus pada kesetimbangan, contoh soal dan pembahasan kesetimbangan partikel.kurikulum 2013 fisika, rpp kurikulum fisika 2013. G = 10 m/s2 pembahasan. Soal dan pembahasan kesetimabangan parti. Suatu sistem reaksi dalam dan juga solid dan liquid diabaikan karena pergerakan partikel solid dan liquid itu sangat lambat sehingga. 8 contoh soal kesetimbangan kimia.

Ngapain aja sih simak ringkasan materi dan 15 contoh soal dinamika rotasi dan. Kesetimbangan menunjukkan keadaan yang dalam keadaan seimbang atau seimbang. Kelas xi bab dinamika rotasi dan kesetimbangan benda tegar part 2/3 : Sebuah benda bermassa 10 kg digantungkan pada seutas tali. Benda tegar merupakan benda yang bentuknya tidak berubah saat diberi gaya dari luar.

Keseimbangan Benda Tegar Fisika Kelas 11 Pengertian Syarat Dan Contoh Soal Quipper Blog
Keseimbangan Benda Tegar Fisika Kelas 11 Pengertian Syarat Dan Contoh Soal Quipper Blog from i0.wp.com
Benda tegar merupakan benda yang bentuknya tidak berubah saat diberi gaya dari luar. Berikut ini model soal kesetimbangan benda tegar (torsi) pada soal utbk 2019 untuk tka fisika : Kesetimbangan partikel, aturan sinus pada kesetimbangan, contoh soal dan pembahasan kesetimbangan partikel.kurikulum 2013 fisika, rpp kurikulum fisika 2013. Sebuah benda bermassa 4 kg digantung dengan menggunakan tali dengan teknik gantungan seperti pada gambar di atas. Hallo adik adik kimia , salam kimia ! Kesetimbangan partikel, aturan sinus pada kesetimbangan, contoh soal dan pembahasan kesetimbangan partikel.kurikulum 2013 gambar (a) menunjukkan penyelesaian kesetimbangan. Sebuah batang dengan panjang l = 4 m dan massa m = 20 kg digantung menggunakan tali pada. Setelah kita mempelajari tentang materi reaksi kesetimbangan pada postingan artikel sebelumnya, kali ini pembahasan selanjutnya mengenai soal tentang reaksi kesetimbangan.

Sebuah benda bermassa 10 kg digantungkan pada seutas tali.

ads/bitcoin2.txt

Kesetimbangan menunjukkan keadaan yang dalam keadaan seimbang atau seimbang. Please fill this form, we will try to respond as soon as share & embed soal kesetimbangan kimia. Sebuah tangga homogen dengan panjang l diam bersandar pada tembok yang licin di atas lantai yang kasar dengan koefisien. Setelah kita mempelajari tentang materi reaksi kesetimbangan pada postingan artikel sebelumnya, kali ini pembahasan selanjutnya mengenai soal tentang reaksi kesetimbangan. Soal dan pembahasan kesetimabangan parti. By ahmad ghaniposted on june 8, 2020. Dipostingan ini kang ayub akan membahas tentang 50. Penyelesaian contoh soal kesetimbangan partikel materi fisika kelas xi ipa semester ganjil. Syarat kesetimbangan partikel f = 0 dengan fx = 0 (sumbu x) fy = 0 (sumbu y). Sebuah batang dengan panjang l = 4 m dan massa m = 20 kg digantung menggunakan tali pada. .partikel, kesetimbangan partikel, kesetimbangan rotasi dan titik berat 11. Mempunyai suatu massa namun ukurannya dapat diabaikan, sehingga geometri benda tidak akan terlibat dalam analisis masalah. Kesetimbangan partikel, aturan sinus pada kesetimbangan, contoh soal dan pembahasan kesetimbangan partikel.kurikulum 2013 gambar (a) menunjukkan penyelesaian kesetimbangan.

ads/bitcoin3.txt

ads/bitcoin4.txt

ads/bitcoin5.txt

0 Response to "Soal Kesetimbangan Partikel - Kesetimbangan Benda Tegar Pengertian Rumus Contoh Soal"

Post a Comment